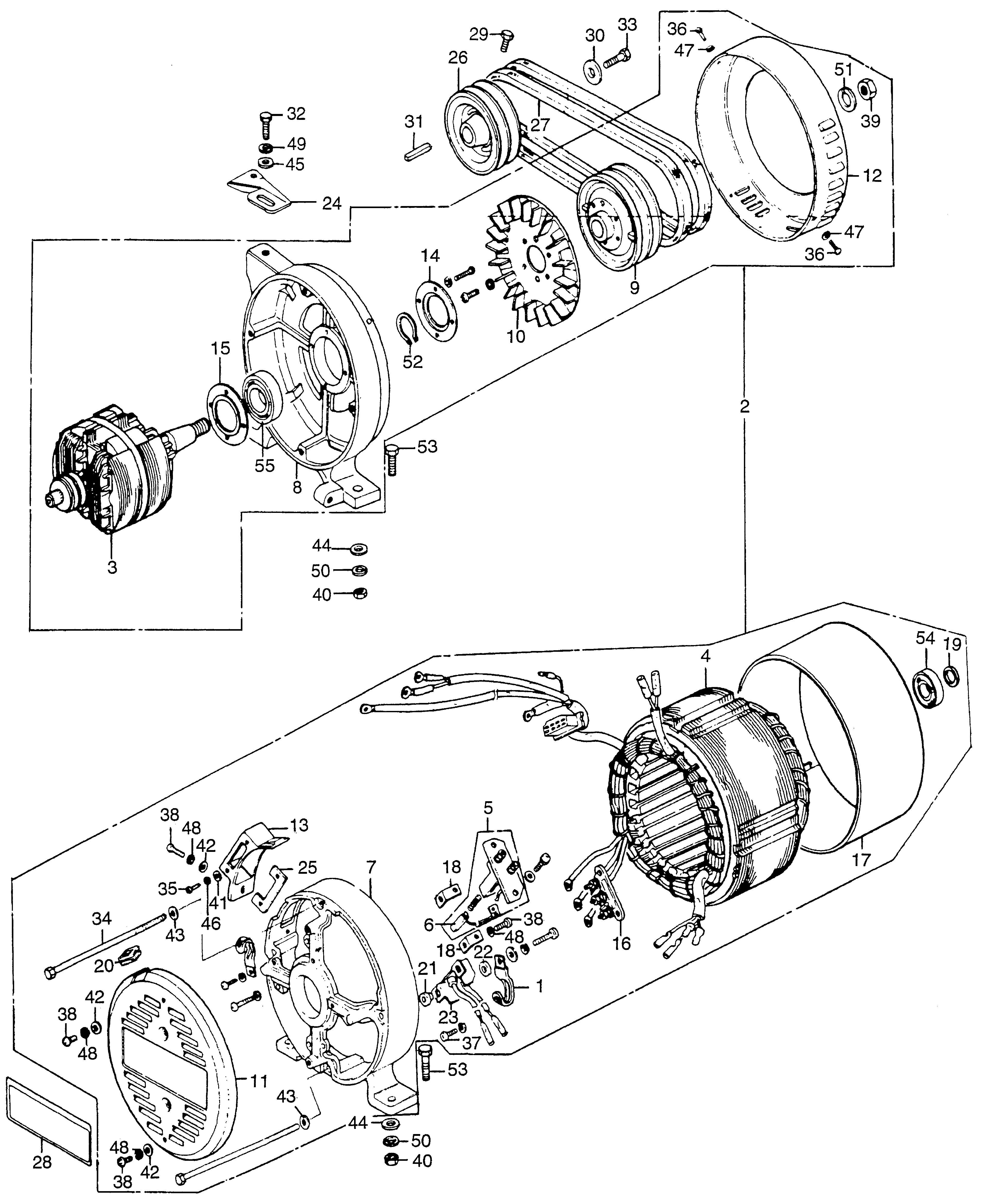
Ref No
Part Number
Description
Serial Range
Qty
Price
Ref No 1
Part Number 30564-871-601
Description CLAMP B, WIRE
Serial Range 1000001 - 9999999
Qty
Price $7.32
Add To Cart
Ref No 2
Part Number 31100-877-671SF
Description ALTERNATOR ASSY.
Serial Range 1000001 - 9999999
Ref No 3
Part Number 31104-877-003
Description ROTOR
Serial Range 1000001 - 9999999
Ref No 4
Part Number 31105-877-168
Description STATOR ASSY.
Serial Range 1000001 - 9999999
Ref No 5
Part Number 31106-815-169
Description HOLDER, BRUSH (NOT AVAILABLE)
Serial Range 1000001 - 9999999
Ref No 6
Part Number 31107-815-168
Description BRUSH, CARBON (NOT AVAILABLE)
Serial Range 1000001 - 9999999
Ref No 7
Part Number 31108-877-305XC
Description HOUSING, RR. *NH31* (MCKINLEY WHITE) (NOT AVAILABLE)
Serial Range 1000001 - 9999999
Qty
Price $260.02
Add To Cart
Ref No 8
Part Number 31109-829-168XC
Description HOUSING, FR. *NH31* (MCKINLEY WHITE)
Serial Range 1000001 - 9999999
Ref No 9
Part Number 31111-815-178XC
Description PULLEY *NH31* (MCKINLEY WHITE) (NOT AVAILABLE)
Serial Range 1000001 - 9999999
Ref No 10
Part Number 31112-839-158
Description FAN
Serial Range 1000001 - 9999999
Ref No 11
Part Number 31113-893-000H
Description COVER, ALTERNATOR END *R8* (BRIGHT RED)
Serial Range 1000001 - 9999999
Ref No 12
Part Number 31114-829-158XC
Description COVER, FAN *NH31* (MCKINLEY WHITE)
Serial Range 1000001 - 9999999
Ref No 13
Part Number 31115-819-158XC
Description COVER, CONNECTOR *NH31* (MCKINLEY WHITE)
Serial Range 1000001 - 9999999
Ref No 14
Part Number 31116-815-168
Description COVER A, BEARING (NOT AVAILABLE)
Serial Range 1000001 - 9999999
Ref No 15
Part Number 31117-839-168
Description COVER B, BEARING
Serial Range 1000001 - 9999999
Ref No 16
Part Number 31119-876-158
Description TERMINAL, VOLT CHANGE
Serial Range 1000001 - 9999999
Ref No 17
Part Number 31127-877-158XC
Description COVER, STATOR *NH31* (MCKINLEY WHITE) (NOT AVAILABLE)
Serial Range 1000001 - 9999999
Ref No 18
Part Number 31129-815-168
Description STAY, BRUSH HOLDER
Serial Range 1000001 - 9999999
Ref No 19
Part Number 31131-815-158
Description WASHER, BEARING
Serial Range 1000001 - 9999999
Ref No 20
Part Number 31131-877-158
Description BUSH, RUBBER
Serial Range 1000001 - 9999999
Ref No 21
Part Number 31133-815-158
Description BUSH, INSULATING
Serial Range 1000001 - 9999999
Ref No 22
Part Number 31134-815-158
Description WASHER, INSULATING
Serial Range 1000001 - 9999999
Ref No 23
Part Number 31135-876-158
Description DIODE ASSY., D.C. (NOT AVAILABLE)
Serial Range 1000001 - 9999999
Ref No 24
Part Number 31181-829-010
Description STAY, ALTERNATOR (NOT AVAILABLE)
Serial Range 1000001 - 9999999
Ref No 25
Part Number 32101-839-168
Description PLATE, CONNECTOR SETTING
Serial Range 1000001 - 9999999
Ref No 26
Part Number 49114-815-613
Description V-PULLEY (60HZ) (NOT AVAILABLE)
Serial Range 1000001 - 9999999
Ref No 27
Part Number 49212-815-611
Description V-BELT (A-31) (NOT AVAILABLE)
Serial Range 1000001 - 9999999
Ref No 28
Part Number 87551-877-670
Description PLATE, CAUTION
Serial Range 1000001 - 9999999
Ref No 29
Part Number 90029-805-810
Description BOLT B, KEY LOCK (7MM) (NOT AVAILABLE)
Serial Range 1000001 - 9999999
Ref No 30
Part Number 90534-706-010
Description WASHER, LOCK (8.5X35X4.5)
Serial Range 1000001 - 9999999
Qty
Price $6.50
Add To Cart
Ref No 31
Part Number 90741-889-810
Description KEY (7X7X33) (OVER SIZE) (YELLOW)
Serial Range 1000001 - 9999999
Qty
Price $9.32
Add To Cart
Ref No 32
Part Number 92101-08020-0A
Description BOLT, HEX. (8X20)
Serial Range 1000001 - 9999999
Qty
Price $1.98
Add To Cart
Ref No 33
Part Number 92101-08025-0A
Description BOLT, HEX. (8X25)
Serial Range 1000001 - 9999999
Qty
Price $2.12
Add To Cart
Ref No 34
Part Number 92020-06130-08
Description BOLT, HEX. (6X130)
Serial Range 1000001 - 9999999
Ref No 34
Part Number 92020-06130-0H
Description BOLT, HEX. (6X130) (NOT AVAILABLE)
Serial Range 1000001 - 9999999
Ref No 35
Part Number 93500-03010-0H
Description SCREW, PAN (3X10)
Serial Range 1000001 - 9999999
Qty
Price $1.00
Add To Cart
Ref No 36
Part Number 93500-04006-0H
Description SCREW, PAN (4X6)
Serial Range 1000001 - 9999999
Qty
Price $1.10
Add To Cart
Ref No 37
Part Number 93500-04006-3J
Description SCREW, PAN (4X6)
Serial Range 1000001 - 9999999
Qty
Price $1.24
Add To Cart
Ref No 38
Part Number 93500-05010-0H
Description SCREW, PAN (5X10)
Serial Range 1000001 - 9999999
Qty
Price $1.10
Add To Cart
Ref No 39
Part Number 94001-18000-0S
Description NUT, HEX. (18MM) (NOT AVAILABLE)
Serial Range 1000001 - 9999999
Ref No 40
Part Number 94030-10000
Description NUT, HEX. (10MM)
Serial Range 1000001 - 9999999
Qty
Price $1.72
Add To Cart
Ref No 41
Part Number 94101-03800
Description WASHER, PLAIN (3MM)
Serial Range 1000001 - 9999999
Qty
Price $1.20
Add To Cart
Ref No 42
Part Number 94101-05800
Description WASHER, PLAIN (5MM)
Serial Range 1000001 - 9999999
Qty
Price $1.20
Add To Cart
Ref No 43
Part Number 94101-06800
Description WASHER, PLAIN (6MM)
Serial Range 1000001 - 9999999
Qty
Price $0.80
Add To Cart
Ref No 44
Part Number 94101-10000
Description WASHER, PLAIN (10MM)
Serial Range 1000001 - 9999999
Qty
Price $1.40
Add To Cart
Ref No 45
Part Number 94102-08000
Description WASHER, PLAIN (8MM)
Serial Range 1000001 - 9999999
Qty
Price $1.14
Add To Cart
Ref No 46
Part Number 94111-03800
Description WASHER, SPRING (3MM)
Serial Range 1000001 - 9999999
Qty
Price $0.80
Add To Cart
Ref No 47
Part Number 94111-04800
Description WASHER, SPRING (4MM)
Serial Range 1000001 - 9999999
Qty
Price $1.20
Add To Cart
Ref No 48
Part Number 94111-05800
Description WASHER, SPRING (5MM)
Serial Range 1000001 - 9999999
Qty
Price $1.38
Add To Cart
Ref No 49
Part Number 94111-08000
Description WASHER, SPRING (8MM)
Serial Range 1000001 - 9999999
Qty
Price $1.20
Add To Cart
Ref No 50
Part Number 94111-10000
Description WASHER, SPRING (10MM)
Serial Range 1000001 - 9999999
Qty
Price $1.64
Add To Cart
Ref No 51
Part Number 94111-18000
Description WASHER, SPRING (18MM) (NOT AVAILABLE)
Serial Range 1000001 - 9999999
Ref No 52
Part Number 94514-25000
Description CIRCLIP (OUTER) (25MM) (NOT AVAILABLE)
Serial Range 1000001 - 9999999
Ref No 53
Part Number 95100-10032
Description BOLT, HEX. (10X32)
Serial Range 1000001 - 9999999
Ref No 54
Part Number 96150-62030-10
Description BEARING, RADIAL BALL (6203UU)
Serial Range 1000001 - 9999999
Qty
Price $21.28
Add To Cart
Ref No 55
Part Number 96150-62050-10
Description BEARING, RADIAL BALL (6205UU)
Serial Range 1000001 - 9999999
Qty
Price $42.14
Add To Cart